星好き,望遠鏡好きのみなさん。曇りの日は仲間と語りあいましょう。
コンテンツへ
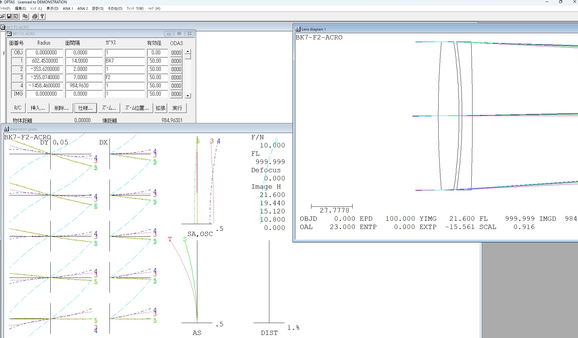
投稿記事 by Abbebe » 2025年9月22日(月) 15:48
投稿記事 by Abbebe » 2025年9月23日(火) 23:05
“その他の機材、書籍/Other Instruments,Books”に戻る